SEAGULL является профессиональным поставщиком и производителем электрических лебедок, предоставляющим комплексное обслуживание.
Сертифицированная тяжелая простая тележка с антиколением
PRODUCT FEATURES:
Тяжелая грузоподъемность
От 0,5 до 5 т. , спроектирован для универсального промышленного применения (например, семинаров, складов, сборочных линий).
Премиальная долговечность дизайн
Точные смазованные колеса с герметичными подшипниками уменьшается трение на 30%, обеспечивая обеспечение 10 000+ операционных циклов с минимальным износом.
Устойчивые к коррозии сплавные стальные валы и подкреплен Стальные пластины толщиной 6 мм предотвратить деформацию при экстремальных нагрузках.
Безопасно-первое инженер
Тройное усиление безопасности :
Система защиты от перегрузки (автоматическое замедление при мощности 110%).
Прокатные колеса колеса для безопасного рельсового захвата.
ISO-сертифицированные сварные шва для структурной целостности.
Низкое обслуживание, высокая эффективность
Самоочищающиеся подшипники Устранить наращивание мусора, сокращая время простоя.
Предварительно установленные смазочные порты для быстрого обслуживания без разборки.
| Модель | 0.5Т | 1Т | 2Т | 3Т | 5Т |
| Оценка емкости (T) | 0.5 | 1 | 2 | 3 | 5 |
| Протестированная нагрузка (T) | 6.25 | 12.5 | 25 | 37.5 | 62.5 |
| Высота бега (м) | 3 | 3 | 3 | 3 | 3 |
| Тяга цепи, чтобы поднять полную нагрузку (n) | 45 | 55 | 100 | 75 | 120 |
| Мин радиус кривой (м) | 0.9 | 1 | 1.2 | 1.3 | 1.4 |
|
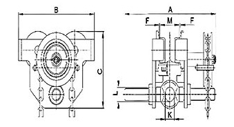
Размеры (мм) Пилон
Удлините пилон B C E F K L |
292
377 225 173 33 ≈3 25 30 |
300
385 252 188 31 ≈3 30 35 |
314
395 300 226 32 ≈3 40 47 |
350
409 360 289 46 ≈3 48 58 |
359
414 392 313 47 ≈3 60 70 |
|
Регулируемый луч М пилон
Удлините пилон |
50-220
160-305 |
58-220
160-305 |
66-220
160-305 |
74-220
160-305 |
90-220
160-305 |
| Дополнительный вес на метр дополнительного подъема (кг) | ≈1 | ≈1 | ≈1 | ≈1 | ≈1 |
|
Чистый вес (кг) Пилон
Удлините пилон |
11.4
11.8 |
14.7
15.2 |
21.8
22.6 |
36.7
37.9 |
48.5
50 |

















